SW200直流接触器

您的位置 : 网站首页 > 产品中心 > 主触头一常开直流接触器系列 > SW200直流接触器
SW200
SW200
  • SW200
型号:SW200直流接触器
  • 线圈额定电压(V)

    6-240V

  • 主触点额定电流(A)

    250/400A

联系电话:021-55560736
ZJ-50D直流接触器

产品介绍

Product introduction

产品用途
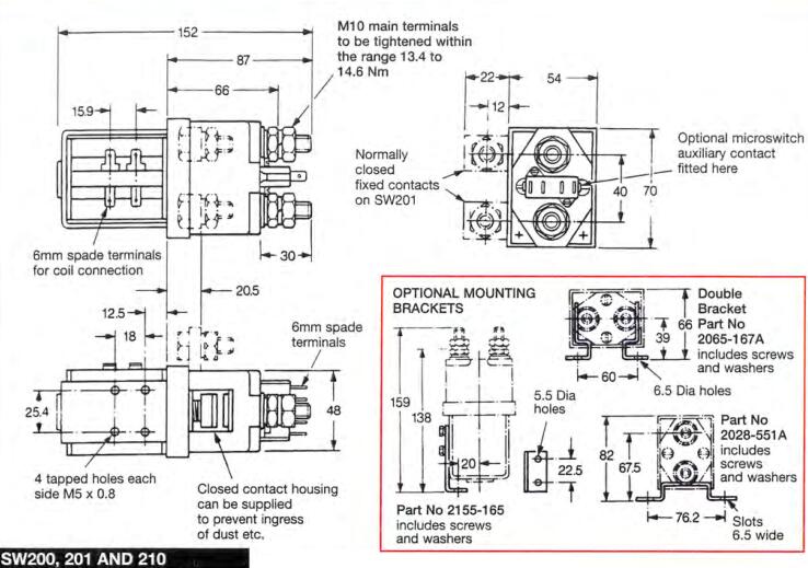
SW200设计用于直流负载,包括用于电动车辆(如工业卡车)的电机。针对中断和不间断负载开发,SW200适用于开关电阻,电容和电感负载。SW200具有单刀单掷,双断口主触点和银合金尖端,耐焊接,耐磨损并具有优异的导电性。SW200具有M10螺柱主端子和6.3mm的黑色线圈连接。它可以通过M5螺纹孔或安装支架进行安装 - 可以提供安装,也可以单独安装。安装可以是水平或垂直的,垂直时M10接触螺栓应该朝上。如果要求向下定位,我们可以调整接触器来弥补这一点。
技术数据
外形尺寸图
SW200系列直流接触器
  • 邮  箱:cnhgq@foxmail.com 邮  编:201206
  • 厂  址:上海市曹路钦塘工业园钦塘东南1号 销售地址:上海浦东新区外高桥华申路150号2幢
  • © Copyright JOSEF Inc. All rights reserved.沪ICP备08020013号